SLS представляет инновационный Блокиратор Ключа SLS K900: Защита ключей нового поколения!
Компания SLS с гордостью объявляет о завершении разработки и запуске в серийное производство инновационного продукта в сфере безопасности – блокиратора ключа SLS K900. Это устройство, разработанное для обеспечения максимальной защиты ключей от несанкционированного использования, представляет собой важный шаг вперед в управлении доступом и обеспечении безопасности на объектах различного назначения.
SLS K900: Ключ к вашей безопасности – под надежной защитой.
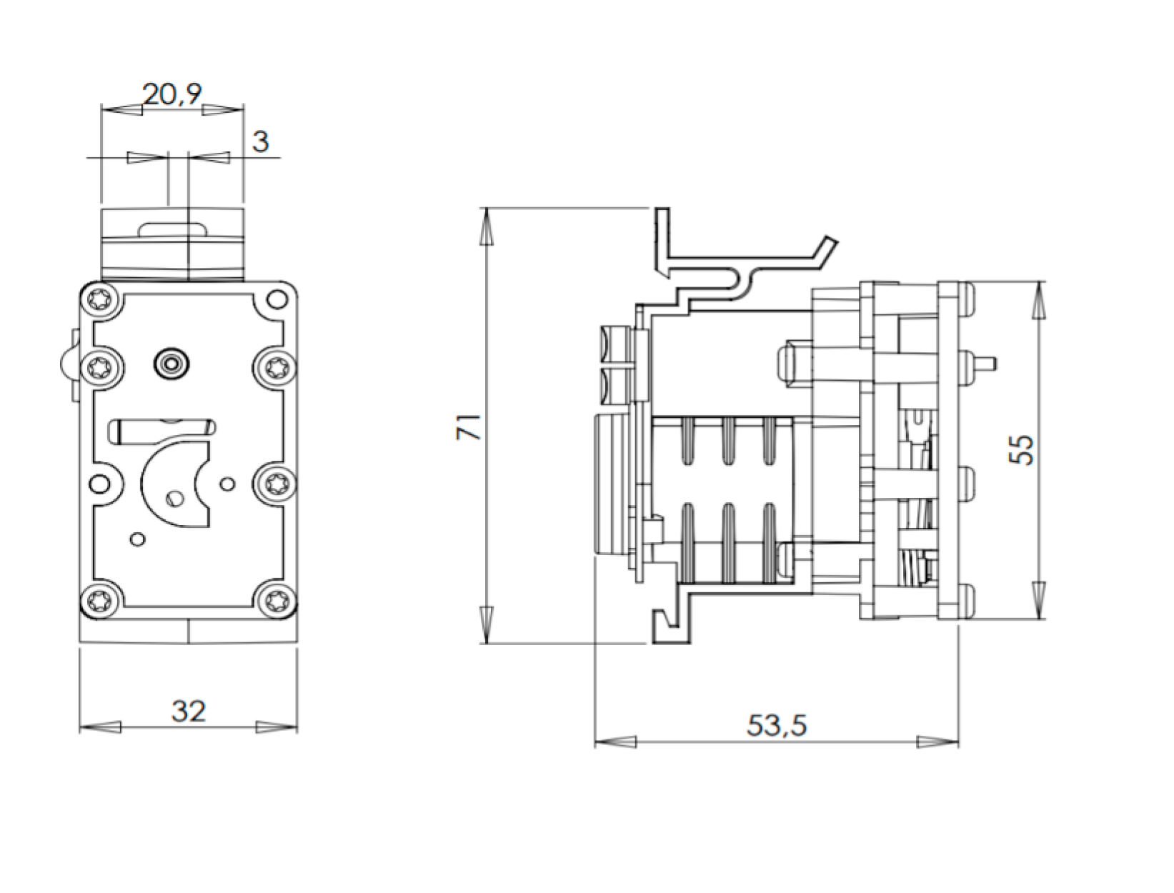
Главная задача SLS K900 – блокировка ключа для предотвращения его несанкционированного использования. В условиях, где контроль над ключами критически важен для безопасности, SLS K900 становится надежным и эффективным решением.
Основные характеристики и преимущества SLS K900:
• Уникальная Секретность: Блокиратор может быть адаптирован под ваши потребности. Секретная часть может быть изготовлена как для индивидуального ключа, обеспечивая максимальную безопасность, так и для группового ключа, позволяя организовать доступ для определенных групп пользователей.
• Интуитивно Понятная Индикация: Встроенная светодиодная индикация позволяет мгновенно определить статус доступа к ключу:
• Зеленый свет: Доступ разрешен, ключ можно использовать.
• Красный свет: Доступ запрещен, ключ заблокирован.
• Надежный Механизм Блокировки: В основе механизма лежит соленоид, который обеспечивает надежную блокировку ключа. Управление соленоидом может осуществляться от любой сторонней системы контроля доступа, что позволяет легко интегрировать SLS K900 в существующую инфраструктуру безопасности.
• Мониторинг Положения Ключа: Встроенные микропереключатели предоставляют информацию о положении ключа (заблокирован/разблокирован). Это позволяет осуществлять удаленный мониторинг и контроль, повышая уровень безопасности и оперативности реагирования.
• Интуитивно Понятная Индикация: Встроенная светодиодная индикация позволяет мгновенно определить статус доступа к ключу:
• Зеленый свет: Доступ разрешен, ключ можно использовать.
• Красный свет: Доступ запрещен, ключ заблокирован.
• Надежный Механизм Блокировки: В основе механизма лежит соленоид, который обеспечивает надежную блокировку ключа. Управление соленоидом может осуществляться от любой сторонней системы контроля доступа, что позволяет легко интегрировать SLS K900 в существующую инфраструктуру безопасности.
• Мониторинг Положения Ключа: Встроенные микропереключатели предоставляют информацию о положении ключа (заблокирован/разблокирован). Это позволяет осуществлять удаленный мониторинг и контроль, повышая уровень безопасности и оперативности реагирования.
Ключевые преимущества SLS K900:
• Высокий уровень защиты: Предотвращает несанкционированный доступ к ключам и снижает риски, связанные с их неправомерным использованием.
• Универсальность: Легко интегрируется с любыми существующими системами контроля доступа.
• Гибкость: Настройка секретной части под индивидуальные или групповые ключи.
• Простота эксплуатации: Интуитивно понятная индикация и простое управление.
• Надежность: Прочная конструкция и высококачественные компоненты обеспечивают долгий срок службы.
• Универсальность: Легко интегрируется с любыми существующими системами контроля доступа.
• Гибкость: Настройка секретной части под индивидуальные или групповые ключи.
• Простота эксплуатации: Интуитивно понятная индикация и простое управление.
• Надежность: Прочная конструкция и высококачественные компоненты обеспечивают долгий срок службы.
SLS K900 идеально подходит для:
• Промышленных предприятий
• Энергетических объектов
• Транспортных компаний
• Финансовых учреждений
• Государственных организаций
• Любых объектов, где требуется строгий контроль доступа к ключам.
• Энергетических объектов
• Транспортных компаний
• Финансовых учреждений
• Государственных организаций
• Любых объектов, где требуется строгий контроль доступа к ключам.
Компания SLS уверена, что SLS K900 станет востребованным и эффективным решением для обеспечения безопасности ключей и контроля доступа. Мы стремимся предоставлять нашим клиентам инновационные и надежные продукты, которые помогут им защитить свои активы и обеспечить безопасность своего бизнеса.
Для получения дополнительной информации о блокираторе ключа SLS K900 и его приобретении, пожалуйста, свяжитесь с нами!
Для получения дополнительной информации о блокираторе ключа SLS K900 и его приобретении, пожалуйста, свяжитесь с нами!